生產各種規格型號的搪玻璃設備


手機瀏覽
更方便
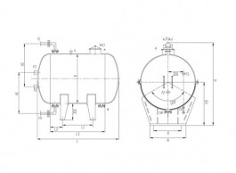
K50L-3000L K4000L-5000L
|
型號 |
公稱容 積L |
實際容 積L |
設 備 尺 寸 (mm) |
|||||||
|
D |
D1 |
D2 |
H1 |
H2 |
H3 |
H4 |
-H |
|||
|
ZK-50 |
50 |
61.3 |
400 |
240 |
280 |
520 |
250 |
/ |
/ |
1080 |
|
ZK-100 |
100 |
121 |
500 |
300 |
350 |
660 |
275 |
167 |
700 |
1245 |
|
ZK-200 |
200 |
240 |
600 |
360 |
420 |
90 |
310 |
193 |
900 |
1520 |
|
ZK-300 |
300 |
363 |
700 |
420 |
490 |
1000 |
351 |
178 |
1000 |
1661 |
|
ZK-400 |
400 |
469 |
800 |
480 |
560 |
1000 |
386 |
162 |
1000 |
1696 |
|
ZK-500 |
500 |
590 |
800 |
480 |
560 |
1240 |
386 |
202 |
1200 |
1936 |
|
ZK-800 |
800 |
884 |
1000 |
600 |
700 |
1210 |
436 |
194 |
1200 |
1956 |
|
ZK-1000 |
1000 |
1112 |
1000 |
600 |
700 |
1500 |
436 |
184 |
1500 |
2248 |
|
ZK-1250 |
1250 |
1391 |
1200 |
720 |
840 |
1330 |
486 |
188 |
1300 |
2128 |
|
ZK-1500 |
1500 |
1674 |
1200 |
720 |
840 |
1580 |
486 |
238 |
1500 |
2378 |
|
ZK-2000 |
2000 |
2219 |
1300 |
780 |
910 |
1780 |
511 |
224 |
1700 |
2603 |
|
ZK-3000 |
3000 |
3336 |
1450 |
870 |
1015 |
2140 |
559 |
261 |
2000 |
3011 |
|
ZK-4000 |
4000 |
4450 |
1600 |
960 |
1120 |
2340 |
606 |
210 |
1300 |
3258 |
|
ZK-5000 |
5000 |
5560 |
1600 |
960 |
1120 |
2890 |
606 |
193 |
1600 |
3808 |
續表
|
型 號 |
設 備 管 口 尺 寸 (mm) |
參考 重量 |
|||||||
|
a |
b |
c |
d |
e |
f |
g |
h |
||
|
ZK-50 |
80 |
65 |
65 |
/ |
/ |
/ |
65 |
65 |
150 |
|
ZK-100 |
100 |
65 |
65 |
/ |
/ |
2-65 |
65 |
65 |
210 |
|
ZK-200 |
125 |
65 |
65 |
/ |
/ |
2-65 |
65 |
65 |
280 |
|
ZK-300 |
125 |
80 |
65 |
/ |
/ |
2-65 |
80 |
65 |
380 |
|
ZK-400 |
150 |
80 |
65 |
/ |
/ |
2-65 |
80 |
80 |
480 |
|
ZK-500 |
150 |
80 |
65 |
/ |
/ |
2-65 |
80 |
80 |
530 |
|
ZK-800 |
150 |
80 |
80 |
80 |
/ |
2-65 |
80 |
80 |
765 |
|
ZK-1000 |
150 |
80 |
80 |
80 |
/ |
2-65 |
80 |
80 |
860 |
|
ZK-1250 |
200 |
80 |
80 |
80 |
/ |
2-65 |
80 |
80 |
1020 |
|
ZK-1500 |
200 |
100 |
80 |
80 |
/ |
2-65 |
100 |
80 |
1120 |
|
ZK-2000 |
400x300 |
100 |
80 |
80 |
/ |
2-65 |
100 |
80 |
1470 |
|
ZK-3000 |
400x300 |
125 |
100 |
100 |
/ |
2-65 |
125 |
100 |
1970 |
|
ZK-4000 |
400x300 |
125 |
100 |
100 |
2-65 |
2-65 |
125 |
100 |
2560 |
|
ZK-5000 |
400x300 |
125 |
100 |
100 |
2-65 |
2-65 |
125 |
100 |
2910 |